CCMT060202 FW U545 пластина токарная
CCMT060202 FW U545 пластина токарная MWork
478 ₽/шт
В наличии:
шт
В пути:
шт
Точную дату поступления вы можете узнать у менеджера
Уточнить
Наши менеджеры обязательно свяжутся с вами и уточнят условия заказа
Цена действительна только для интернет-магазина и может отличаться от цен в розничных магазинах
Описание
Характеристики
|
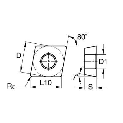
Форма пластины
|
C (ромб 80°) |
|
Задний угол
|
C (7°) |
|
Длина, мм
|
20 |
|
Радиус в вершине
|
0.2 мм |
|
Высота, мм
|
10 |
|
Ширина, мм
|
20 |
|
Сплав
|
U545 |
|
Размер пластины
|
06 |
|
Вид стружколома
|
FW |
|
Толщина
|
02 (2.38 мм) |
|
Допуски
|
M |
|
Стружколом и система крепления
|
T |
Сплав
|
Маркировка сплава
|
U545 |
|
ISO
|
P15-P25, M05-M25 |
|
Описание
|
Мелкозернистая подложка с PVD покрытием обладает термостойкостью и износостойкостью, устойчива к деформации, подходит для чистовой обработки низкоуглеродистой и легированной стали, прерывистого резания и обработки жаропрочных сплавов на медленных скоростях, а также для обработки закаленных металлов при низких подачах. |
|
Группа обрабатываемых материалов
|
|
Стружколом
|
Наименование стружколома
|
FW |
Отзывы
Отзывы
Оставить отзыв
Загрузка отзывов...
Задать вопрос